Роликовые опоры предназначены для установки изделия в удобное положение для сварки, котельной сборки, зачистки, контроля.
Состав оборудования
- приводная роликовая опора – 1 шт.;
- холостая роликовая опора – 1 шт.;
- шкаф управления – 1 шт.;
- беспроводной пульт дистанционного управления вращением роликов в комплекте со сменными аккумуляторными батареями типа АА (2 шт.);
- проводной пульт дистанционного управления вращением роликов с кабелем 15м;
- комплект ЗИП;
- комплект документации.
Технические параметры
| № п/п | Технические параметры роликовой опоры | Значения |
|---|---|---|
| 1. | Грузоподъемность роликовых опор, кг | 120 000 |
| 2. | Грузоподъемность одной опоры, кг | 60 000 |
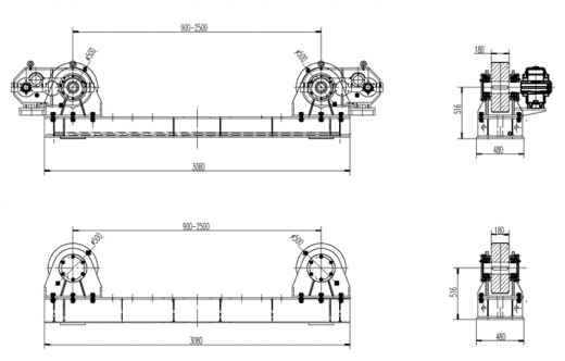
| 3. | Диаметр вращаемого изделия, мм | 800-6000 |
| 4. | Покрытие роликов | углеродистая сталь с упрочненной поверхностью |
| 5. | Диаметр ролика, мм | 500 |
| 6. | Ширина ролика, мм | 180 |
| 7. | Регулировка межосевого расстояния | ступенчатая |
| 8. | Регулировка скорости вращения | без регулировки |
| 9. | Направление вращения | реверсивное |
| 10. | Номинальное напряжение трехфазной питающей сети 50 Гц, В | 380 |
| 11. | Гарантийный срок не менее, мес. | 12 |
| 12. | Скорость вращения обечайки, мм/мин | 914 |
| 13. | Ширина шага крепления ролика, мм | 150 |
Конструкция роликовых опор предотвращает повреждение основных узлов – редукторов, электродвигателей, шкафов управления при транспортировке секций роликовых опор, установке и вращения изделия на опорах.
Материалы, применяемые в конструкции роликовых опор, выдерживают температуру вращаемого изделия до 250°С.
Предусмотрены плавный старт и окончание вращения роликов.
Все редукторы, двигатели, приводы, выступающие за пределы несущего корпуса, имеют надежную защиту от механических повреждений. Электродвигатели защищены стальными кожухами.
Ходовые винты, гайки, шаровые пары имеют защитные кожуха.
Открытые винты защищены кожухами предотвращающие попадание загрязнений.
Узлы крепления роликов, подшипниковые опоры рассчитаны на осевые и радиальные нагрузки, возникающие при неравномерной установке и снятии изделия.
В приводе вращения роликов применяется червячный редуктор (не циклоидальный). Корпус редуктора – стальной.


